静态电路

三电阻电路的静态分析

  • mosfet共源极电路

image-20230420094628739

图示为一个增强型 MOSFET,2N7000 的放大电路,为共源极电路。其信号耦合电路与双极型晶体管电路一样

静态电路包括电源、晶体管和三个电阻 R2、R3、R1。已知 2N7000 的 UGSTH=2V,K=0.0502A/V2 ,求解静态工作点。

image-20230420094859161

  • JFET共源极电路

image-20230420095059318

已知 2N4393 的 UGSOFF 为-1.45V,IDSS 为 19.7mA,求解电路静态。

image-20230420095555268

image-20230420095642567

image-20230420095832292

四电阻电路的静态分析

  • mosfet共源极电路

image-20230420110726260

image-20230420110921746

image-20230420110948749

image-20230420111021005

  • 实例

image-20230420140602578

图中 是 P 沟道 MOSFET,其关键参数为:UGSTH=-3.695V,K 约为-2.2A/V2

当确定上方分压电阻为 100kΩ,求两个电路中要求晶体管工作于恒流区,下方电阻的取值范围。由此看哪个电路的稳定性好?

左侧图:

​ 当R3 越大,会导致 UGSQ的绝对值越小,导致晶体管无法导通到临界值(S点电压高于G点电压,G点电压升高,自然就会导致前面说的情况)。

image-20230420141029768

R3 越小,会导致晶体管越来越导通,直到它由恒流区进入可变电阻区

image-20230420141345103

image-20230420141522797

image-20230420141807660

​ 𝑅3_𝑚in约为 80kΩ。

至此可以知道,右图的 4 电阻静态电路,分压电阻的取值范围更大了,也就更容易设置,其稳定性也就高了许多。

微变等效模型

  1. 跨导

    JEFT转移特性

图2.1 转移特性

​ 在给定的一个 处,转移特性的横轴上发生 的变化量,一定会引起纵轴上产生 的变化量

称之为跨导,为 Q 点处转移特性曲线的切线斜率。可以看出,随着 Q 点的上移,其切线斜率上升,跨导会变大:同样的 的变化,会带来更大的

FET微变等效模型

图2.2 FET微变等效模型
  • 对 JFET 而言,有下式成立:
  • 对 MOSFET 而言,有下式成立:

放大电路动态分析

共源极放大电路

JFET共源极放大电路

图3.1 JFET共源极放大电路
  • 跨导

  • 动态

    JFET共源动态等效电路

图3.2 JFET共源动态等效电路

​ S 为西门子,1S=1A/V=1/Ω。

​ 此电路实现了反相放大,显然比双极型晶体管的电压放大能力要弱。但是,其输入电阻取决于 R3,可以由用户设计选择,一般可以大于1MΩ。这是双极型晶体管电路无法实现的。

​ C2作用:R2在动态过程中,会影响放大倍数,所以使用C2去除其在动态电路中的影响

共漏极放大电路

MOSFET 构成的源极跟随器电路

图3.3 MOSFET 构成的源极跟随器电路

​ 已知 2N7000 关键指标为:UGSTH=2V,K=0.0502A/

MOSFET 构成的源极跟随器电路-求解

​ 这个电路,具有很大的输入电阻(300.7kΩ),很小的输出电阻(27.9Ω),接近 1 的电压放大倍数(0.9457),叫源极跟随器,也称为共漏极放大电路,常用于两级电路的阻抗匹配。

共栅极放大电路

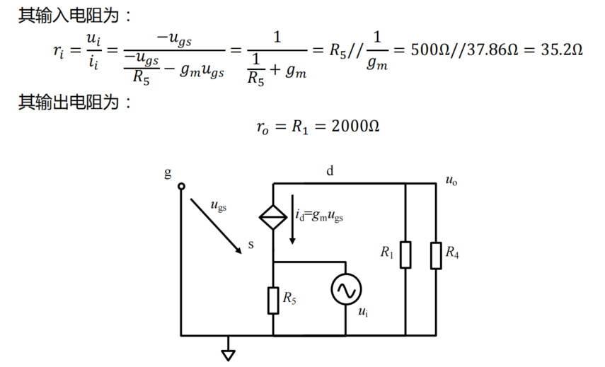
MOSFET 构成的共栅极电路

图3.4 MOSFET 构成的共栅极电路
  • 静态求解

    image-20230423162741534

  • 动态求解

image-20230423162847809

image-20230423162917200