场效应管
分类:
结型场效应管(Junction FET)——N 沟道和 P 沟道
金属氧化物场效应管(MetalOxide- Semiconductor Field Effect Transistor-MOSFET)。——增强型(enhancement mode)和耗尽型(depletion mode)
管脚定义:
门极 G(Gate)——对应于双极型管的基极 b,
漏极D(Drain)——对应于双极型管的集电极 c
源极 S(Source)——对应于双极型管的发射极 e。FET 的源极 S 和衬底连在一起

需要注意的是,场效应管中,源极和漏极是对称的,可以互换。但是在 MOSFET 中,由于衬底和源极在内部已经连同,甚至很多 MOSFET 内部还在 D、S 之间并联了一个二极管,因此 D 和 S 不能互换
正常工作时,所有场效应管的门极,都没有电流。因此,其漏极电流一定等于源极电流。场效应管的核心原理是,GS 两端的电压,控制漏极电流,因此也被称为“压控型”器件。这有别于 BJT(双极型晶体管)的 iB控制 iC,即流控型器件。
不研究JFET 的输入电压 与输入电流 的关系,因为结型场效应管门极具有极高的输入阻抗,近似为 0。
- 转移特性曲线:(输入电压与输出电流 的关系)
- 输出特性曲线:(输出电压 与输出电流的关系)

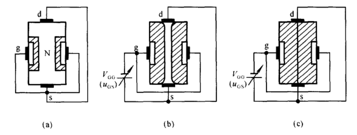
- 工作原理(结型场效应管)

很明显,在如图2所示的N沟道管中,加正向电压时,PN结导通(非使用区间,没有什么意义);外加反向电压时, PN结截止,会使得空间电荷区变宽,如图3所示。

随着 增大,耗尽层变宽,沟道变窄,当其增大到一定范围时,沟道完全消失。
当通电,存在公式:
显然,是负电压,并且随着增大,会增大,相对应的空间电荷区(PN结)就会变宽,过程如图4所示。

特性分析
夹断电压
图1,中可以看出 UGSOFF=-3V。当 N-JFET 的uGS 小于 UGSOFF 时,无论 UDS 多大,电流 i*D 均为 0,似乎晶体管被夹断一样。
零偏漏极电流
在转移特性曲线中(图一,左图),当 uGS 等于0 时的漏极电流称为零偏漏极电流,这也是N-JFET 所能提供的最大电流。从图中可以看出,似乎 uGS 大于 0,iD 还有增长的趋势,是的,没错。但是,此时晶体管的 G、S 之间就不再是高阻的,因此,N-JFET 禁止 uGS大于 0
转移特性曲线的数学表达式
其中 K 影响转移特性曲线的增长速率,单位为 A/V2
输入伏安特性曲线特征
当 uDS 超过某个电压,我们称之为 UDS_dv 时,电流 iD 几乎不再增加,看起来 D、S 之间像个恒流源一样。将每一根输出伏安特性曲线的 UDS_dv连接起来,就是图 Section25-1 右图中的红色线,这是一个分界线,它的左侧区域被称为可变电阻区——类似于双极型晶体管的饱和区,而右侧为恒流区——类似于双极型管的放大区。
这个公式的理解难点在于,对电压方向的梳理。在N沟道结型场效应管中。
的方向是:S到G,也就是本身是负电(0到之间)
大概是-3V左右
:根据上述公式算,肯定是个正值。
再结合图像看看(图1),也明显是,越大(负值——越接近0),越大(x-(-3)=x+3 ,肯定是越接近0越大嘛,前提是x小于0)
为什么左边是可变电阻区(当然,记另外一边为恒流区,显然更容易记忆,毕竟电流没变嘛,很直观)?
- 首先右边(图1)可以看到,类似于晶体管的放大区,非常平缓,此时增加的,用于抵消PN夹断合所增加的电阻值(此时为非线性特性)
- 而左边,可以看到,几乎是线性曲线,并且随着而变化。
如果我们希望这个晶体管起到一个可变电阻的目的,比如用它代替双极型晶体管放大电路中的 RC,就可以用一个电压 UGS控制它的电阻,实现程控增益的目的。
- S和D区分
对 N 沟道 JFET,外部电源产生的电流方向,是由 D 流向 S 的(高电压加在D上,PN结N端)。
对 P 沟道 JFET,外部电源产生的电流方向,是由 S 流向 D 的(高电压加在S上,PN结N端)。
- 状态判断


例题:
2N3369 是 N 沟道 JFET,其关键参数为:UGSOFF=-2.0712V,IDSS=1.6mA,判断 JFET 的工作状态,估算电流。


MOSFET 中包含耗尽型和增强型两类。
(耗尽型)唯一的区别在于:它允许 uGS 大于 0,导致转移特性曲线包含大于 0 的部分(文章末尾附图),延续了已有公式,输出伏安特性曲线中增加了 uGS大于 0 的曲线。

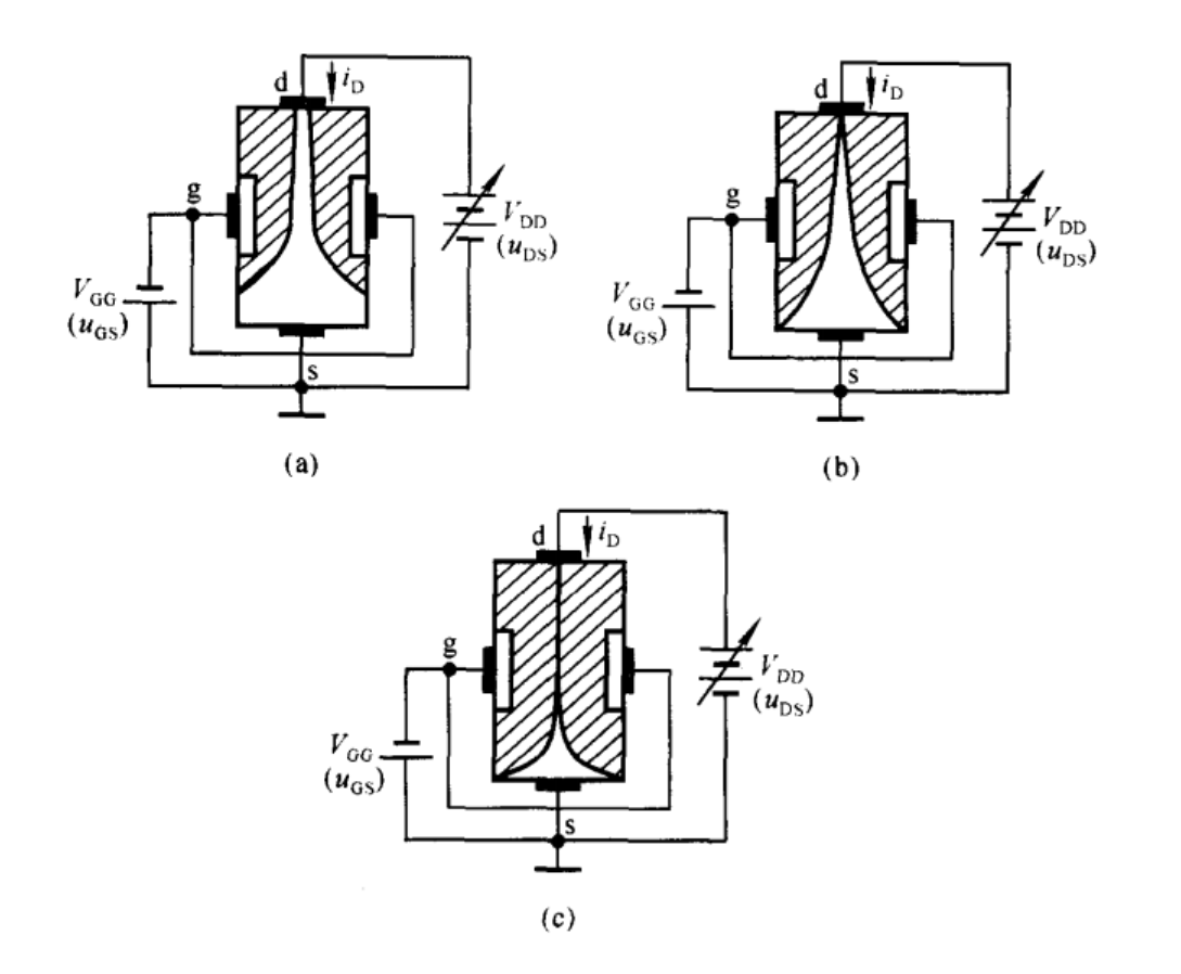
工作原理(增强型):

当gs加正向电压时,就会有电子被吸引到g端,形成沟道。沟道的宽度和ugs相关,因此可以根据这个特性,做成可变电阻

当ds加正向电压时,N的电位会提高,pn结空间载荷区就会变宽,直至夹断沟道

工作原理(耗尽型):

绝缘层中已经注入了正电荷,所以产生电势,形成了沟壑(这时正负都有意义)

如上图所示的N沟道,当gs之间加反向电压(上图明显已经是反向电压了),会加宽PN结的空间载荷区,导致夹断(结合图6分析)
伏安特性
开启电压
图1中可以看出 UGSTH=1V。当 MOSFET 的 uGS小于 UGSTH 时,无论 UDS多大,电流 iD均为0(当然,UDS 必须为正值),似乎晶体管被夹断一样,只在 uGS 大于 UGSTH 时,晶体管才可能存在电流,即所谓的开启。一般 MOSFET 的开启电压均在 0.5V~3V 之间
转移特性曲线的数学表达式
可变电阻区和恒流区的分界线
它的 D 和 S 是明确区分的,严禁反接。因此要求,N 沟道 MOSFET 的外部电源电流,必须由 D 流向 S,P 沟道 MOSFET 的外部电源电流,必须由 S 流向 D。


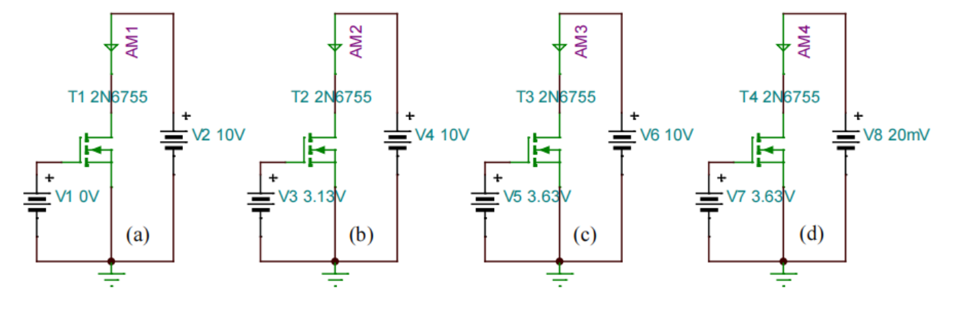
例题:
1.电路如图 所示。 2N6755 是 N 沟 道 MOSFET ,其关键参数为:UGSTH=3.128V,K 约为 3.5A/V2 ,判断 MOSFET 的工作状态,估算电流



2.电路如图 所示。2N6804 是 P 沟道 MOSFET,其关键参数为:UGSTH=-3.695V,K 约为-2.2A/V2 ,判断 MOSFET 的工作状态,估算电流








