放大电路的综合分析

分析(为什么使用4电阻):
- 引入概率:晶体管出厂时,会标注晶体管β的分散性

可以看到放大倍数的,变化范围还是很大的。
先看第一个电路:

这个电路中直接由β控制
放大倍数最大2.5倍的差异,那么就很容易产生静态工作点(Q)的变化。
可以通过电位器(滑动变阻器)来调节,但成本太高。
引入电阻

- 较少温漂,对静态工作点的影响

- 处理由于β的分散性,所产生的静态工作点漂移的问题
可以发现,当:
能够得到:
此时,静态工作点将不在受β分散性的影响
这个电路,会导致发射极静态电位接近电源电压, 晶体管的工作区间变得很小。
引入四电阻

此时,静态点公式:
戴维南等效:
其余部分:
可以发现,当:
依旧能得到能够得到:
此时,静态工作点将不在受β分散性的影响
这个电路,只要控制k的大小,就能分配给三极管工作所需的足够电压
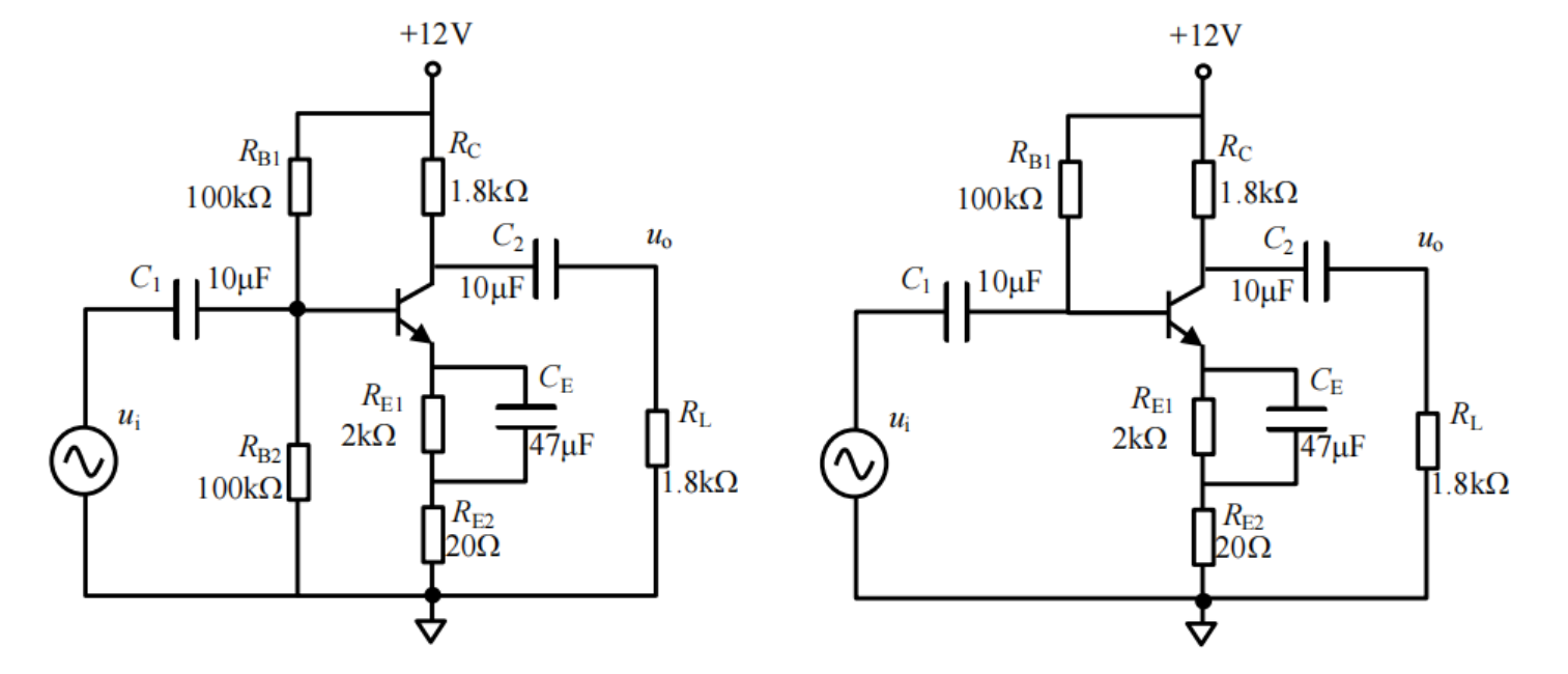
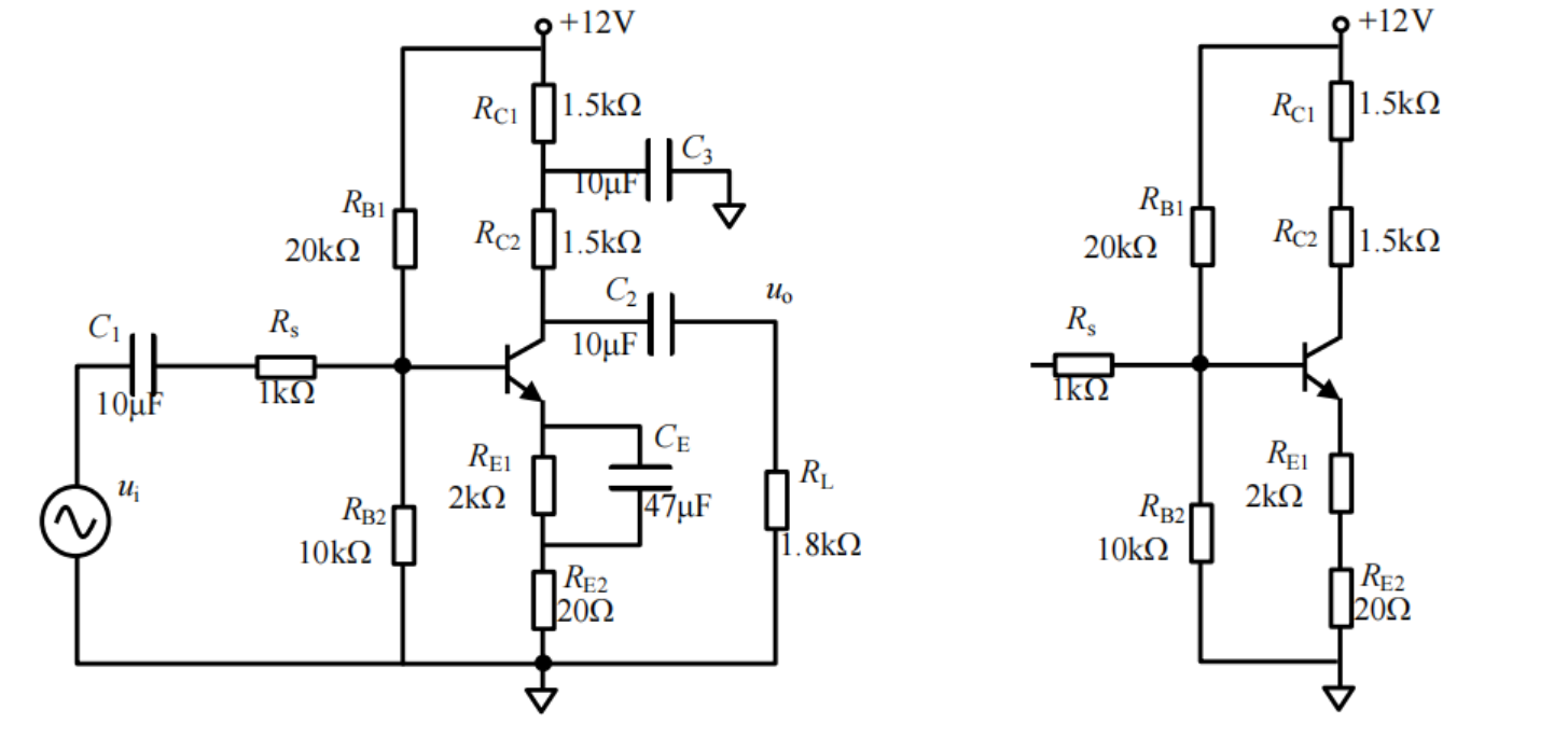
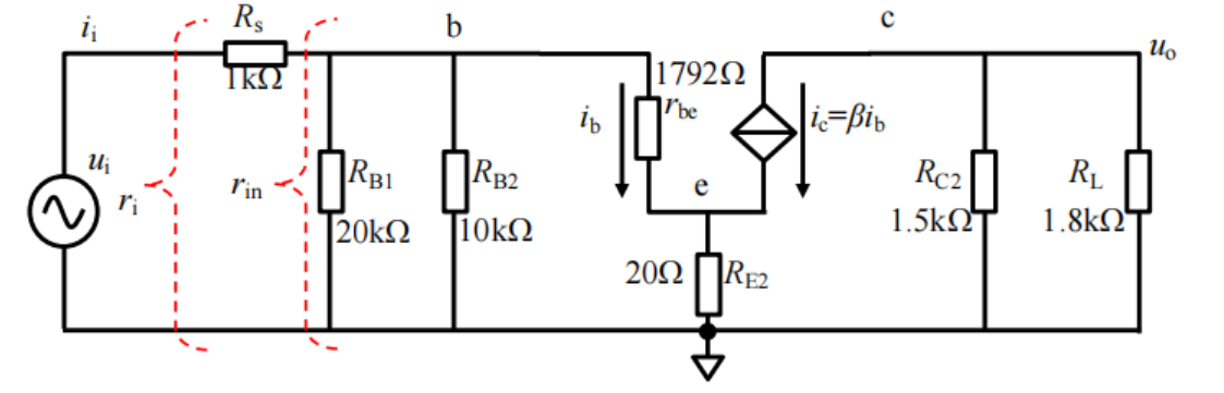
电路一:


各个电容的静动分离作用:
C1的作用是使得电阻 Rs在静态分析中不起作用,而只服务于动态。
CE的作用是使得电阻 RE1在动态分析中不起作用,而只服务于静态。
C3 的作用是使得电阻 RC1在动态分析中不起作用,而只服务于静态。
C2的作用是使得电阻 RL在静态分析中不起作用,而只服务于动态。
Rs 只影响电路的放大倍数和输入电阻,不影响静态。
注释:第三个公式,是加上RS的作用,对输入进一步分压
电路中不改变静态,而能够改变电压放大倍数的方法有:
Rs 影响电路的放大倍数和输入电阻。
调节 RC1 和 RC2,让其总和不变。RC2 变大,将引起放大倍数增大,输出电阻增加。
调节 RE1和 RE2,让其总和不变。RE2变大,将引起放大倍数下降,输入电阻增加。但这种改变需要缜密计算。
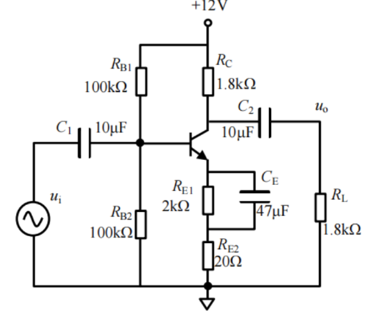
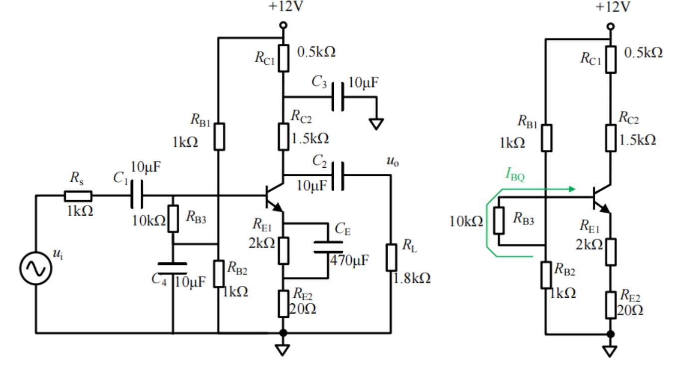
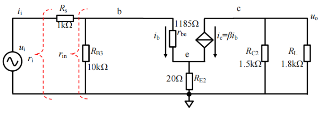
电路二:


T型偏置电路的特点:


当,要求输入电阻大,并且EB电压小时,使用两电阻分压,需要使用很大的电阻。
- EB电压小,所RB1要远远大于RB2, 二者是直接并联, 要求总电阻大,会导致RB1非常大。
- 而T型偏执电路,输入电阻完全可以使用RB3进行调节,不用使用很大的电阻。电压则可以通过RB2进行调节。二者是分离开的
T型偏执电路,更大的好处在于:它允许给图中节点 A 处增加去耦电容,以减少电源电压的噪声对输入端的影响。





