负反馈基础
正反馈和负反馈
当输出信号发生某个方向的变化,此称为变化根源。变化根源回送到输入端后,会再次引起输出信号变化,此称为二次变化。如果二次变化与变化根源具有相同的方向,则属于正反馈。如果二次变化与变化根源具有相反的方向,则属于负反馈。
正反馈的作用类似于推波助澜,会加剧变化过程。负反馈的作用是稳定。
正反馈
反馈结果使输出量的变化增大
负反馈
反馈结果使输出量的变化减小

反馈判断
环路极性法
1) 找到反馈环路。
2) 在反馈环路中任意确定一个节点 A。
3) 在节点 A 处假设存在一个正的变化量,用 + 表示。
4)沿着反馈环路,让这个变化量依次行进,每过一个关键节点,对变化量方向进行判断并标注,用 + 表示正变化量,用 - 表示负变化量,用 0 表示没有变化量。
5)等这个行进过程再次回到 A 点时,如果变化量仍是 + ,则表明反馈的作用是赞成初始的变化,起到了推波助澜的作用,属于正反馈。如果变化量为 - ,则表明反馈的作用是反对初始的变化,起到了唱反调的作用,属于负反馈。如果变化量为 0 ,则表明反馈环路被打断,不存在反馈。

图示两个回路都是负反馈
瞬时极性法
补充概念,集成运算放大器输入端

同相反相是指输入和输出电压之间的关系‘
方法:规定电路输入信号在某时刻的极性,并逐级推断出各级的极性,从而得到输出的极性;根据输出的极性判断反馈的极性;若反馈使得净输入量减小-负反馈;反之-正反馈

上图中ac为负反馈。b为正反馈
阶段性结论:同(反馈为同相端)正,异(反馈为异相端)负
四种基本组态
电压串联负反馈、电流串联负反馈、电压并联负反馈、电流并联负反馈
电压负反馈和电流负反馈的判断:将输出电压置零,若反馈依然存在-电流负反馈;反之为电压负反馈
串联负反馈和并联负反馈的判断:区别在于输入和反馈之间的关系,若反应为电压之差,则是串联负反馈。若是电流之差,则是并联负反馈
个人理解:理想运放虚短虚断,所以要实现电流之差,那只能是反馈和输入在同一端子上,而且负反馈(只能是反相端输入),所以情况应该是固定的

方框图
基本分析

存在以下公式成立:
深度负反馈(当A特别大时)
M求解

它的含义是,在不考虑输出回送的情况下,单纯的输入信号,有多少加载到了运放的输入端上——运放的正输入减去负输入。
F求解

它的含义是,在不考虑输入的情况下,单纯的输出信号,有多少加载到了运放的反相输入上——运放的负输入减去正输入
例题:

四种基本组态的方框图


具体求解和上面的基本分析过程是一样的:求解M和f

负反馈对放大电路性能的影响
提高了增益稳定性
数学公式证明(开环增益发生了很大变化,闭环增益只发生很小的变化):

提高了上限截止频率

个人理解:

上图所示运算放大器,中频开环增益为 100000,开环上限截止频率为 10Hz,假设其幅频特性曲线满足一阶低通表达式。用此运放组成了 M=1,F=0.1 的闭环放大电路。
可以很明显的看到,提升上限截止频率是牺牲了放大倍数的基础上提升的
降低下限截止频率

对输入电阻的影响
串联负反馈:提高输入电阻


并联负反馈:不能提高输入电阻,一般来说,反而会使输入电阻下降。(虚短:Ux=0)

输出电阻求法
1)首先去掉负载电阻 RL,牢记:输出电阻与负载电阻无关。
2)设输入激励源为 0。如果输入为单端电压信号,则将输入端短接到地。如果为差分电压信号,仅短接。如果为电流信号,则开路。
3)在输出端人为加入一个电压激励 u,计算流进放大器输出端的电流 i,R = U/I

汇总:

负反馈对失真的影响
失真度定义
电学中,一个时域信号 y(t)与另一个时域信号 x(t)不相似的程度,称为失真度,用 D 表示(distortion)。
负反馈能够有效降低放大电路的失真度:
我们发现,在运放开环使用时,造成失真度很大的根本原因是:在不同的输入电压下,开环放大器的增益𝐴uo是不一样的,比如放大电路增益最小值为 10000,最大值为30000,这使得输出波形变形很严重。
但是,含有负反馈的闭环放大器,却不害怕开环增益的变化,只要它足够大即可。
负反馈分析方法
虚短虚断法
前置基础
虚短存在的条件
从主观公式上看
从这个公式能简单理解虚短,很明显深度负反馈时A很大,而uo输出也有限。那u+ - u-不就接近0吗,自然就虚短了
从实例图像上看


从上图的负反馈放大电路分析入手:
1. 电路为两倍同相比例器,输入为2V,延迟1μs,压摆率为1v/μs 1. 在输出开始向着目标放大的时候,u-也在以0.5的倍率上升,u_id自然也在减小 1. 在虚短成立时,输出也正好稳定虚短条件:
第一,必须是负反馈。只有是负反馈,才有可能实现“期望电压在下降,实际输出电压在上升”,或者反过来,两者才有可能碰头; 第二,运放应有足够的输出能力,在它输出能力所及的范围内,能够实现“期望输出电压正好等于当前输出电压
虚断
虚断,来自于运放输入端天生具有的高阻特性,在多数情况下,它是成立的。只有外部电阻接近于运放输入电阻时,或者运放输入管脚外部流过的电流,接近或者超过运放输入端微小电流时,虚断才失效。
T型反馈比例器

使用前面的方框图分析,可以得到一样的结果,只是过程比较复杂。
假设 R_1= R_2= R_3=100kΩ,R_SET=1kΩ,则𝑢𝑂 = −102𝑢𝐼。
该电路可以实现反相放大下的高增益和高输入电阻的兼顾。如果使用普通的反相比例器,要实现相同的功能,反馈电阻需要有 10MΩ。这样的大电阻出现在电路中,会带来很多后续问题,比如噪声大、受偏置电流影响大等。
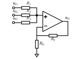
加法器
- 同相加法器

当三个输入电阻相等,且𝑅𝐹 = 2𝑅𝐺时,为等权重加法器,结果为:
反相加法器

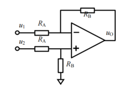
减法器

该电路可以实现两个信号的相减,但在应用中存在以下问题:
1)输入电阻较小。
2)增益调节需要两个电阻同时变化,难度很大。
3)对电阻的一致性要求很高。在实际应用中,要保证上面的 RB/RA 等于下面的 RB/RA,需要缜密挑选电阻,难度也很大。

上图是:集成差动放大器 AD8275 实现的电平移位电路
图中两个 0.1μF 电容,为降低电源纹波对电路稳定性而配置的,被称为旁路电容。它们可以有效降低电源端本已存在的噪声。10μF 电容,主要作用是提供一个大的储能库,当ADC 在转换过程中,瞬间需要较大的充电电流时,主要电流由电容提供电荷形成,而不需要基准源提供大的输出电流,以保证基准源的稳定性。这个电容,也被称为去耦电容。旁路电容,是指别人不稳定,通过该电容使得我稳定,比如日常生活中的耳机。去耦电容,是指我不稳定,通过该电容,不要影响别人,比如歌厅里面的隔音设备。有时,它们很好区分,有时也不好区分。一般来讲,较大的电容易被视为去耦电容,而较小的电容被视为旁路电容。
三运放仪表放大器

仪表放大器(Instrumentation Amplifier-INA),也称测量放大器,是一种常用于仪器仪表前端,直接与传感器接触的集成放大器。它具有两个高输入电阻的差动输入端,输出为两个输入端电位差的指定增益倍数。它的输入输出关系,与减法器相同
它与减法器的区别是,第一,它的输入端是高阻的,即输入电阻接近无穷大;第二,它的增益通常是一个电阻调节的,使用者非常容易实施控制。加之它内部的电阻也是集成工艺生产的,匹配性很好,因此说,它彻底解决了减法器存在的那三个问题
由一个外部电阻 R_G,即可控制电路增益。注意,RG可以悬空,但不能短路。
V_REF 管脚,用于控制输出电压的中心位置。双电源供电时,它一般接地。单电源供电时,它一般接 1/2 电源电压。
双运放仪表放大器

根据叠加原理:
压流转换器

Howland 压流变换器

该电路的负反馈系数,与正反馈系数完全相同
但是,当负载电阻接入后,负反馈系数没有改变,而正反馈系数会变小
此时,显然负反馈系数大于正反馈系数,最终电路工作于负反馈状态。既然工作于负反馈状态,则虚短虚断可用。
利用集成差动放大器器实现的压流变换器
.png)
Howland 电流源存在一些缺点:对电阻匹配性要求高,输出电流难以做大,效率不高等。利用集成差动放大器内部的匹配电阻,可以克服其第一个缺点。

此电路还是需要在电路中选择两个一致的电阻 R1,这不好。

上图所示电路包括前述压流转换器,其输出电流只能来源于信号源和运放的输出管脚,因此指望这些电路提供大电流输出,是不靠谱的。多数运放的输出脚提供 10mA 左右的电流就已经显得吃力了
要想给负载提供大电流输出,常用的方法是晶体管扩流。常见的扩流方法有
- 用于电流为单一方向时,单管扩流
- 用于电流为双向时,互补推挽双向扩流

上图为:基于差动放大器的压流转换器——双向扩流
基于仪表放大器的压流转换器

积分器和微分器

因为电容容易饱和,所示一般实际使用时,电容会并上电阻,使其本身电压降为0
任何运放都具有输入失调电压、输入偏置电流,这些因素会导致即便积分器输入接地,也会有一个持续电流流过反馈电容,使电容上的电压累积增加或者减小,导致其最终达到输出最大电压,而进入“被憋死”的状态
大运放法
有一些看似复杂的电路,如果能够将其分解为一个多级高增益放大电路和反馈网络的集合,则可以将其中的多级高增益放大电路,用一个大运放 (Macro Operational Amplifier:MOPA)代替,即在电路中找到大运放的正、负输入端和输出端,用一个大运放符号替换其中的复杂电路,以简化分析。

环路方程法
将电路中的晶体管画成等效模型(和晶体管基础一样的解题思路),可以说,对任何含有负反馈的电路,只要你足够耐心,使用环路方程法,总是能够得出正确的结论。




